El DRC GreenMAX está incluido en la lista de productos calificados (QPL) del DesignLights Consortium® (DLC) para controles de iluminación en red (NLC).
Controlador de habitación Sapphire
Interfaz de usuario completamente personalizable que se integra con el sistema de control de habitación DRC GreenMAX.
Paquete inteligente
Permite el control de conmutación y atenuación 0-10V de una única zona de accesorios.
Sensor digital
Detección de ocupación/desocupación mediante tecnología PIR con fotocélula integrada.
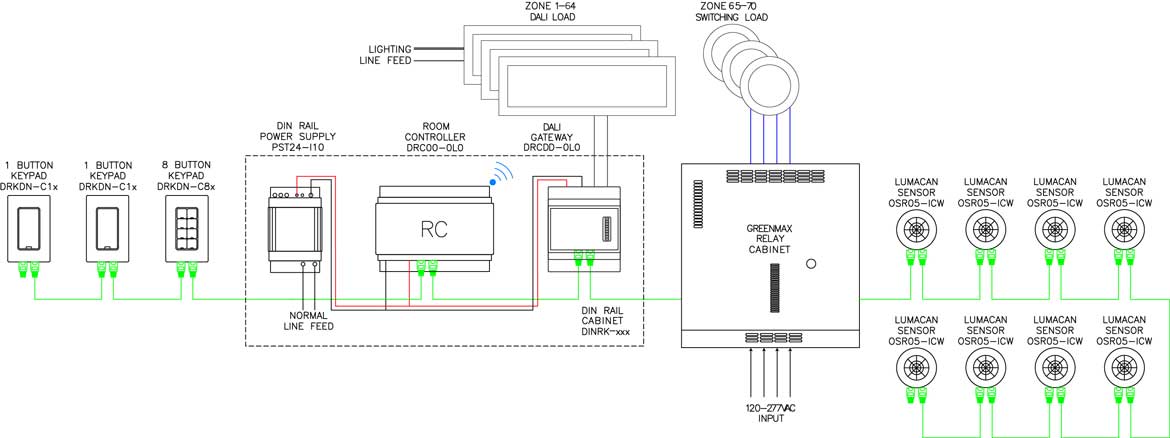
Controlador de habitación de bajo voltaje
Sirve como “cerebro” de cualquier sistema de control de habitaciones DRC GreenMAX al coordinar la lógica comercial dentro de la habitación.
Teclado numérico digital
Interfaz de usuario de teclado numérico con grabado personalizado para el sistema de control de habitación DRC GreenMAX.
Aplicación GreenMAX DRC
La única herramienta de configuración necesaria: controlar, poner en marcha y manejar el sistema desde la palma de la mano.
Atenuador de control de fase
Integra cargas de control de 2-wire fases en el sistema de control de habitación DRC GreenMAX.
Interfaz analógica DRC de 2 puertos
Integra sensores analógicos y fotocélulas en el sistema de control de habitación DRC GreenMAX.
Puerta de enlace DALI
Permite que los sistemas DRC LumaCAN controlen los accesorios DALI.
Controlador de habitación de voltaje de línea
El “cerebro” del sistema de control de habitación DRC GreenMAX para aplicaciones de voltaje de línea, se utiliza con paquetes inteligentes.
DRC GreenMAX
Revolucione sus instalaciones con el sistema de control de habitación DRC GreenMAX de Leviton, diseñado para abordar las necesidades de control de iluminación actuales y dar forma a las tendencias y requisitos del futuro.
Luz solar DRC GreenMAX 2-Zone Plus, típica
Controlador de habitación de voltaje de línea DRC GreenMAX con atenuación de ubicaciones múltiples de 70-Zone e integración DALI más aprovechamiento de la luz solar, típico
